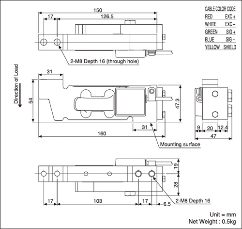
LCB22

UNIT=mm

[X]CLOSE